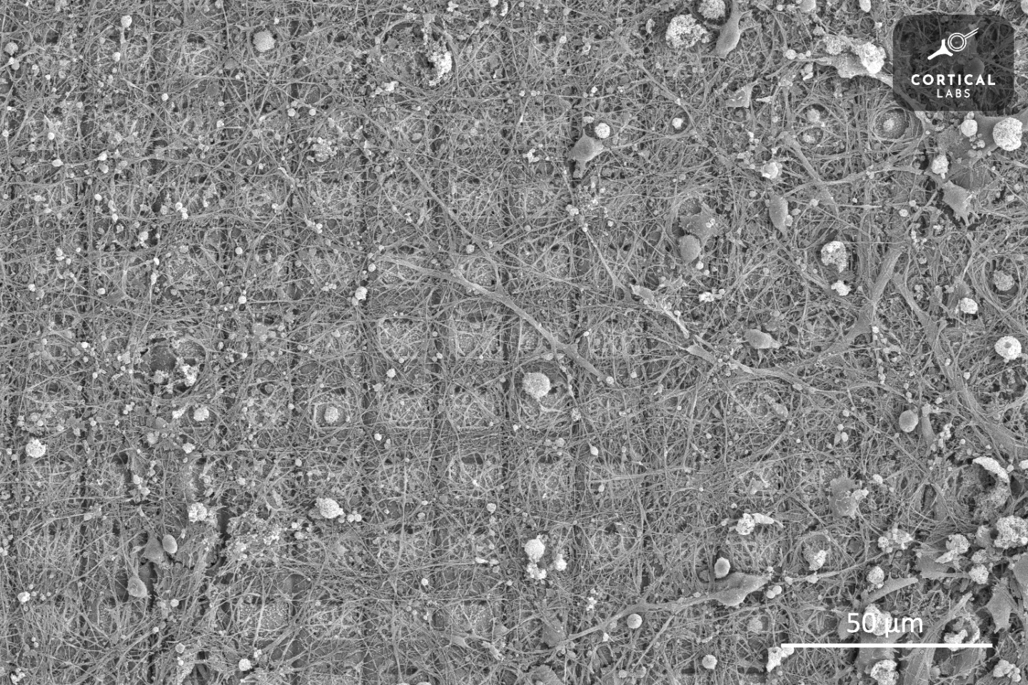
Last year, Monash University scientists created the "DishBrain" – a semi-biological computer chip with some 800,000 human and mouse brain cells lab-grown into its electrodes. Demonstrating something like sentience, it learned to play Pong within five minutes.
The micro-electrode array at the heart of the DishBrain was capable both of reading activity in the brain cells, and stimulating them with electrical signals, so the research team set up a version of Pong where the brain cells were fed a moving electrical stimulus to represent which side of the "screen" the ball was on, and how far away from the paddle it was. They allowed the brain cells to act on the paddle, moving it left and right.
Then they set up a very basic-reward system, using the fact that small clusters of brain cells tend to try to minimize unpredictability in their environment. So if the paddle hit the ball, the cells would receive a nice, predictable stimulus. But if it missed, the cells would get four seconds of totally unpredictable stimulation.
It was the first time lab-grown brain cells had been used this way, being given not only a way to sense the world, but to act on it, and the results were impressive.

Impressive enough that the research – undertaken in partnership with Melbourne startup Cortical Labs – has now attracted a US$407,000 grant from Australia's National Intelligence and Security Discovery Research Grants program.
These programmable chips, fusing biological computing with artificial intelligence, "in future may eventually surpass the performance of existing, purely silicon-based hardware," says project lead, Associate Professor Adeel Razi.
"The outcomes of such research would have significant implications across multiple fields such as, but not limited to, planning, robotics, advanced automation, brain-machine interfaces, and drug discovery, giving Australia a significant strategic advantage," he said.

The DishBrain's advanced learning capabilities, in other words, could underpin a new generation of machine learning, particularly when embodied in autonomous vehicles, drones, and robots. It could give them, says Razi, "a new type of machine intelligence that is able to learn throughout its lifetime."
The technology promises machines that can continue to learn new abilities without compromising old ones, that can adapt well to change, and that can map old knowledge onto new situations – while continually self-optimizing their use of computing power, memory and energy.
"We will be using this grant," says Razi, "to develop better AI machines that replicate the learning capacity of these biological neural networks. This will help us scale up the hardware and methods capacity to the point where they become a viable replacement for in silicon computing."
Phenomenal stuff.
Source: Monash University