Computing

Computer chip with built-in human brain tissue gets military funding

Computer chip with built-in human brain tissue gets military funding
"DishBrain" computer chips fusing human brain cells with electronic circuits and AI intelligence could underpin the next generation of learning robots
"DishBrain" computer chips fusing human brain cells with electronic circuits and AI intelligence could underpin the next generation of learning robots
View 3 Images
"DishBrain" computer chips fusing human brain cells with electronic circuits and AI intelligence could underpin the next generation of learning robots
1/3
"DishBrain" computer chips fusing human brain cells with electronic circuits and AI intelligence could underpin the next generation of learning robots
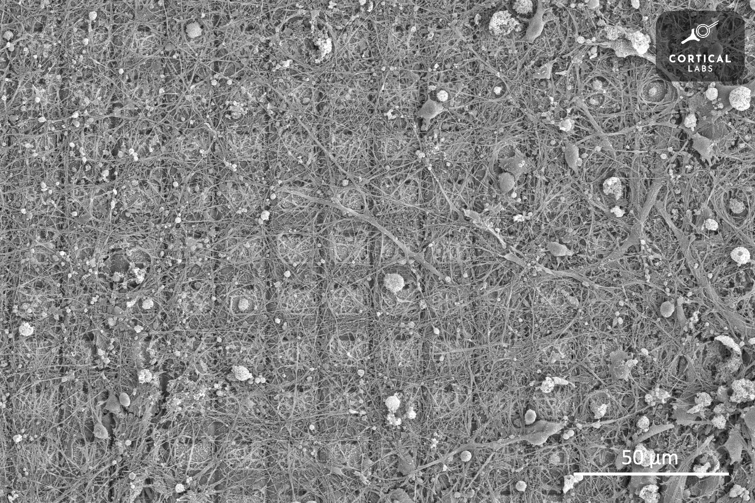
A scanning electron microscope image of DishBrain neurons growing on an array of electrodes
2/3
A scanning electron microscope image of DishBrain neurons growing on an array of electrodes
A microscope image of neurons within DishBrain, with cells highlighted using fluorescent markers
3/3
A microscope image of neurons within DishBrain, with cells highlighted using fluorescent markers
View gallery - 3 images

Last year, Monash University scientists created the "DishBrain" – a semi-biological computer chip with some 800,000 human and mouse brain cells lab-grown into its electrodes. Demonstrating something like sentience, it learned to play Pong within five minutes.

The micro-electrode array at the heart of the DishBrain was capable both of reading activity in the brain cells, and stimulating them with electrical signals, so the research team set up a version of Pong where the brain cells were fed a moving electrical stimulus to represent which side of the "screen" the ball was on, and how far away from the paddle it was. They allowed the brain cells to act on the paddle, moving it left and right.

Then they set up a very basic-reward system, using the fact that small clusters of brain cells tend to try to minimize unpredictability in their environment. So if the paddle hit the ball, the cells would receive a nice, predictable stimulus. But if it missed, the cells would get four seconds of totally unpredictable stimulation.

It was the first time lab-grown brain cells had been used this way, being given not only a way to sense the world, but to act on it, and the results were impressive.

A scanning electron microscope image of DishBrain neurons growing on an array of electrodes
A scanning electron microscope image of DishBrain neurons growing on an array of electrodes

Impressive enough that the research – undertaken in partnership with Melbourne startup Cortical Labs – has now attracted a US$407,000 grant from Australia's National Intelligence and Security Discovery Research Grants program.

These programmable chips, fusing biological computing with artificial intelligence, "in future may eventually surpass the performance of existing, purely silicon-based hardware," says project lead, Associate Professor Adeel Razi.

"The outcomes of such research would have significant implications across multiple fields such as, but not limited to, planning, robotics, advanced automation, brain-machine interfaces, and drug discovery, giving Australia a significant strategic advantage," he said.

A microscope image of neurons within DishBrain, with cells highlighted using fluorescent markers
A microscope image of neurons within DishBrain, with cells highlighted using fluorescent markers

The DishBrain's advanced learning capabilities, in other words, could underpin a new generation of machine learning, particularly when embodied in autonomous vehicles, drones, and robots. It could give them, says Razi, "a new type of machine intelligence that is able to learn throughout its lifetime."

The technology promises machines that can continue to learn new abilities without compromising old ones, that can adapt well to change, and that can map old knowledge onto new situations – while continually self-optimizing their use of computing power, memory and energy.

"We will be using this grant," says Razi, "to develop better AI machines that replicate the learning capacity of these biological neural networks. This will help us scale up the hardware and methods capacity to the point where they become a viable replacement for in silicon computing."

Phenomenal stuff.

Source: Monash University

View gallery - 3 images
21 comments
21 comments
20Gnario
We don't know enough about how much material substrate a conscience needs. There was an Sci-Fi tale about a burglar condamned to death and having his brain commanding an accountability computer for 200 years. This, as well as the possibility that those making transform their ashes into a Diamond, which could be jailed inside Diamond for eves, prompt being very cautious about Cyborg uses of human brain cells. Better don't do this. Blessings +
martinwinlow
Is humanity advanced enough to manage the responsibility for this sort of technology adequately? Because, I, for one, am *really* not convinced...
Esteban Garita Munoz
I don't see how this can go wrong at all. -a scientist probably.
Expanded Viewpoint
But if brain cells were really used in that trial, then how are they kept alive? ALL living organisms require nutrients, hospitable environment, waste removal. How was all of that done?
mattlass
Why is it that our civilization adopts the creepiest advances that science fiction foretells as a warning? I refer you to H.G. Wells “The Island of Dr. Moreau” and George Lukas’ “THX 1138”. The agenda is to hasten us to the “Singularity’”, which is the melding of man and machine. Screw that!
soundnado
Only the military could use something like this "Soldier Roboto"
see3d
Fascinating research. I can imagine that this can lead to genetically engineered "neurons" that are made for guided growth into manufactured semiconductor chips with the extreme complexity required for complex intelligence. As pointed out, the life expectancy of the biological parts is the main concern. The real breakthrough comes from growing the computer networks rather than manufacturing the computing elements.
P51d007
How much longer?
We are the Borg. Lower your shields and surrender your brains. We will add your biological and technological distinctiveness to our own. Your culture will adapt to service us. Resistance is futile.
stevendkaplan
This sounds dangerously similar to the machine spirits/ servitors of the game Warhammer 40k. They were semi-organic computers and robots created because humanity no longer trusted purely electronic AIs following a Terminator style war against robots known as the Men of Iron.
1stClassOPP
Please don’t mess with this. I’m very much afraid we’ve (as humans) have tread here before. Think of the mythological gods. We’re they really myths? Before the great flood, humanity was so depraved that all of humanity had to be destroyed (except for eight.)
Load More